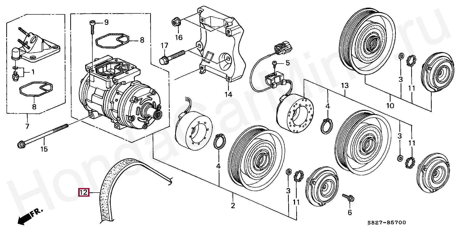
РЕМЕНЬ ПОЛИКЛИНОВОЙ КОМПРЕССОРА, 38920PAAA01
| Название по каталогу: | BELT, COMPRESSOR (BANDO) |
| Артикул: | 38920-PAA-A01 |
Цену и условия доставки уточняйте у наших менеджеров.
ЗАМЕНЫ
38920PAAA02, 38920PDAE03
ПРИМЕНЯЕМОСТЬ ПО КАТАЛОГУ
Товары, которые могут вас заинтересовать:
Запчасти Honda
Уважаемые клиенты! Для максимально корректного подбора аксессуаров рекомендуем вам позвонить нашим менеджерам, чтобы получить квалифицированную консультацию.
Телефон: +7(495)797-60-03
Случайные новости
09.10.2016
Десятое поколение Honda Civic: оправданные ожидания02.07.2017
Honda Ridgeline: кроссовер среди пикапов28.06.2013
Различаем Civic 4D и 5DВсе новости

