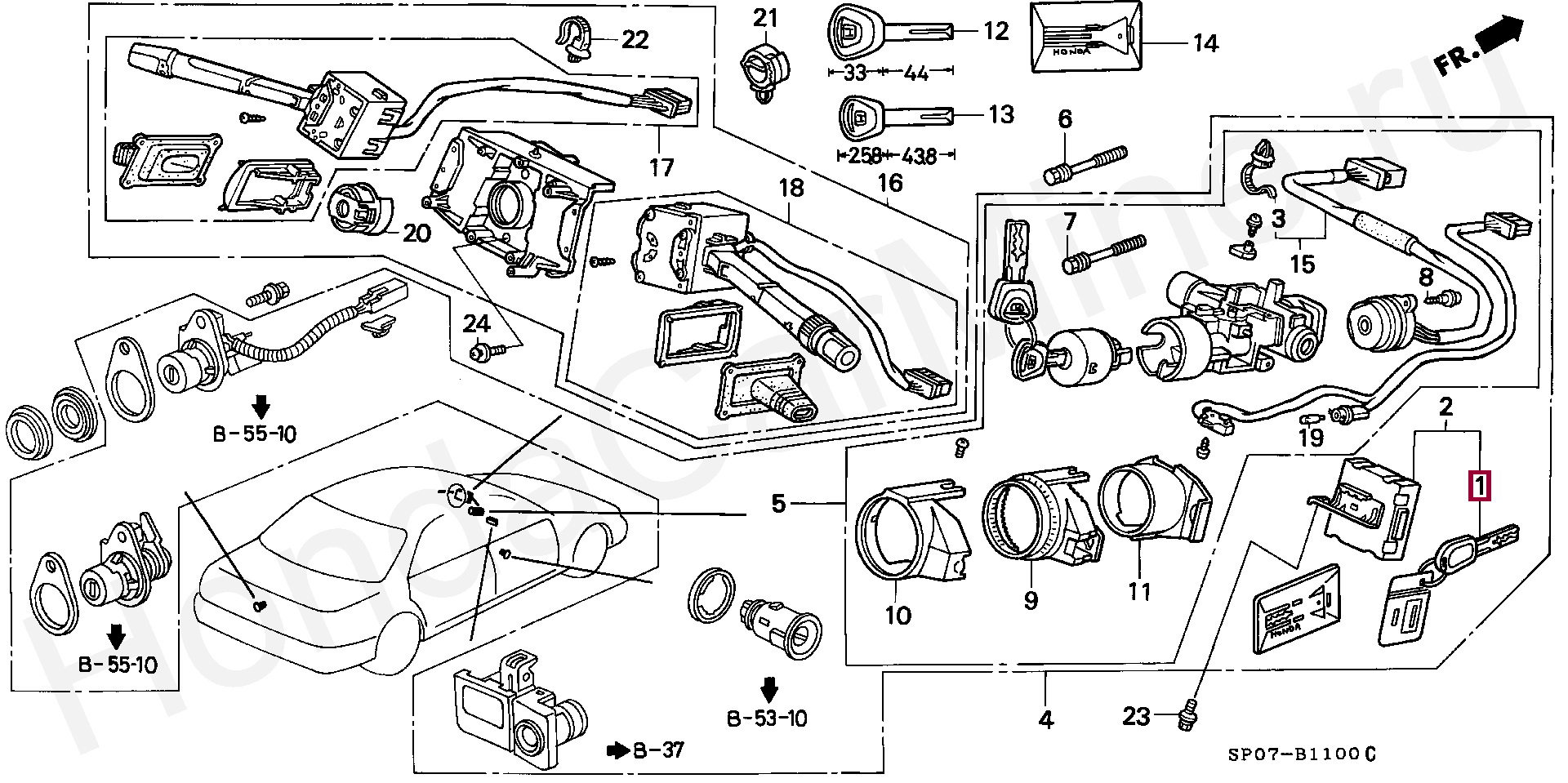
KEY ASSY., KEYLESS ENTRY (SERVICE)(GREEN), 04808SP0G01
| Артикул: | 04808-SP0-G01 |
Цену и условия доставки уточняйте у наших менеджеров.
ПРИМЕНЯЕМОСТЬ ПО КАТАЛОГУ
Товары, которые могут вас заинтересовать:
Запчасти Honda
Уважаемые клиенты! Для максимально корректного подбора аксессуаров рекомендуем вам позвонить нашим менеджерам, чтобы получить квалифицированную консультацию.
Телефон: +7(495)797-60-03
Случайные новости
27.07.2017
Гибридный Honda Accord 2017 модельного года03.06.2016
Третье поколение кроссовера Pilot в подробностях04.06.2014
Honda Civic 5D: насколько практичен футуромобиль?Все новости

